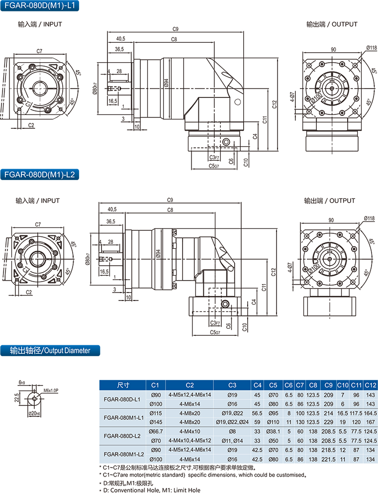
FGR/FGAR

Hotline :400-8576-787
Add :NO.3,12th Street, Eastern New District, Wenling City, Zhejiang

Product Parameters