HOME
ABOUT US
Company Profile
Company Culture
Company Honor
Plant Equipment
PRODUCTS
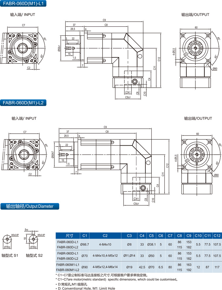
Precision Planetary Gear Reducer
Worm Gear Units
Helical-Hypoid Gear Units
Industry Planetary Gear Reducer
Harmonic Reducer
SELECT
APPLICATIONS
NEWS
Company News
Industry News
SERVICE & SUPPORT
Notice To Users
Technical Services
After-Sales Service
Sample Download
CONTACT US
CN
EN
FABR
Home
Precision Planetary Gear Reducer
FABR
Hotline :400-8576-787
Add :NO.3,12th Street, Eastern New District, Wenling City, Zhejiang
E-mail :sk@chinasankai.com
Product Parameters
Menu